Bandeja para pan de hamburguesa y panecillos
Diseñada para fábricas de alimentos de tamaño mediano a grande y líneas automatizadas, esta bandeja para pan de hamburguesa permite la producción en lotes de alto volumen para satisfacer las demandas de panaderías, plantas procesadoras de alimentos y establecimientos de servicios de alimentación.
Fabricada en acero aluminizado mediante un proceso de embutición profunda de una sola pieza, la bandeja para hornear presenta una superficie lisa y fácil de limpiar, sin esquinas. Los moldes para pan tienen una base curva y lisa (con perfiles arqueados opcionales) para maximizar la superficie de contacto, asegurando que los panecillos horneados queden planos, con una forma uniforme y resistentes a la deformación. Se ofrecen opciones de revestimiento antiadherente de alto rendimiento, incluyendo PFA de alto rendimiento (aprox. 3000 ciclos) y teflón económico (aprox. 1500 ciclos), para garantizar una excelente liberación de los alimentos y un acabado impecable.
Características
Por favor, confirme los siguientes parámetros para su batería pan de molde personalizadas:
- Calidad constante: La fabricación de grado industrial garantiza una alta estandarización y uniformidad.
- Alta eficiencia: Totalmente compatible con sistemas automatizados, lo que reduce significativamente la mano de obra.
- Solución a medida: Personalizable en tamaño, forma y material para adaptarse a las necesidades específicas de producción.
- Higiene superior: La construcción sin juntas de una sola pieza elimina los espacios donde se pueden acumular residuos, mejorando la seguridad alimentaria.
- Recubrimiento antiadherente de calidad: Múltiples opciones de recubrimiento, respaldadas por nuestra línea de recubrimiento propia, para garantizar propiedades antiadherentes consistentes y de alto rendimiento.
Muestra del productos
Especificaciones
Bandeja para pan de hamburguesa
Bandeja para pan de hamburguesa de 3.5''

- Modelo:
TS1602 - Tratamiento superficial: PTFE
- Dimensiones (L×An×Al): 600×400×40 mm
- Número de moldes: 15
- Materiales: Acero aleado
- Forma: Plana
- Espesor: δ0.8 mm
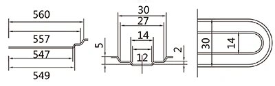
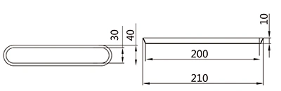
- Diagrama de dimensiones (Diámetro superior/Diámetro inferior/Altura):

Bandeja para pan de hamburguesa de 3.5''

- Modelo:
TS1645 - Tratamiento superficial: PTFE
- Dimensiones (L×An×Al): 600×400×40 mm
- Número de moldes: 15
- Materiales: Acero aleado
- Forma: Convexa
- Espesor: δ0.8 mm
- Diagrama de dimensiones (Diámetro superior/Diámetro inferior/Altura):

Bandeja para pan de hamburguesa de 4''

- Modelo:
TS1604 - Tratamiento superficial: PTFE
- Dimensiones (L×An×Al): 600×400×40 mm
- Número de moldes: 15
- Materiales: Acero aleado
- Forma: Convexa
- Espesor: δ0.8 mm
- Diagrama de dimensiones (Diámetro superior/Diámetro inferior/Altura):

Bandeja para pan de hamburguesa de 3.5''

- Modelo:
TS1621 - Tratamiento superficial: PTFE
- Dimensiones (L×An×Al): 738×503×43 mm
- Número de moldes: 24
- Materiales: Acero aleado
- Forma: Convexa
- Espesor: δ0.8 mm
- Diagrama de dimensiones (Diámetro superior/Diámetro inferior/Altura):

Bandeja para pan de hamburguesa de 3''

- Modelo:
TS1608 - Tratamiento superficial: PTFE
- Dimensiones (L×An×Al): 600×400×35 mm
- Número de moldes: 15
- Materiales: Acero aleado
- Forma: Plana
- Espesor: δ0.8 mm
- Diagrama de dimensiones (Diámetro superior/Diámetro inferior/Altura):

Bandeja para pan de hamburguesa de 4''

- Modelo:
DZ141067 - Tratamiento superficial: PTFE
- Dimensiones (L×An×Al): 738×503×43 mm
- Número de moldes: 24
- Materiales: Acero aleado
- Forma: Convexa
- Espesor: δ0.8 mm
- Diagrama de dimensiones (Diámetro superior/Diámetro inferior/Altura):

Bandejas para panecillos
Banda en el borde

- Modelo:
TS1606 - Tratamiento superficial: PTFE
- Dimensiones (L×An×Al): 600×400×30 mm
- Número de moldes: 15
- Materiales: Acero aleado
- Forma: Convexa
- Espesor: δ0.8 mm
- Diagrama de dimensiones (Diámetro superior/Diámetro inferior/Altura):


- Modelo:
TS1610 - Tratamiento superficial: PTFE
- Dimensiones (L×An×Al): 600×400×45 mm
- Número de moldes: 6
- Materiales: Acero aleado
- Espesor: δ0.8 mm
- Diagrama de dimensiones (Diámetro superior/Diámetro inferior/Altura):


- Modelo:
TS12211073 - Tratamiento superficial: PTFE
- Dimensiones (L×An×Al): 530×380×30 mm
- Número de moldes: 8
- Materiales: Acero aleado
- Espesor: δ0.7 mm
- Diagrama de dimensiones (Diámetro superior/Diámetro inferior/Altura):


- Modelo:
TS1616 - Tratamiento superficial: PTFE
- Dimensiones (L×An×Al): 600×400×45 mm
- Número de moldes: 12
- Materiales: Acero aleado
- Espesor: δ0.8 mm
- Diagrama de dimensiones (Diámetro superior/Diámetro inferior/Altura):


- Modelo:
TS1614 - Tratamiento superficial: PTFE
- Dimensiones (L×An×Al): 600×400×33 mm
- Número de moldes: 10
- Materiales: Acero aleado
- Espesor: δ0.8 mm
- Diagrama de dimensiones (Diámetro superior/Diámetro inferior/Altura):


- Modelo:
DZ151038 - Tratamiento superficial: PTFE
- Dimensiones (L×An×Al): 660×458×37.7 mm
- Número de moldes: 15
- Materiales: Acero aleado
- Espesor: δ0.8 mm
- Diagrama de dimensiones (Diámetro superior/Diámetro inferior/Altura):

Bandejas para croissant

- Modelo:
TS1618 - Tratamiento superficial: PTFE
- Dimensiones (L×An×Al): 600×400×45 mm
- Número de moldes: 16
- Materiales: Acero aleado
- Espesor: δ0.8 mm
- Diagrama de dimensiones (Diámetro superior/Diámetro inferior/Altura):

- Modelo:
TS1122 - Tratamiento superficial: PTFE
- Dimensiones (L×An×Al): 530×380×33 mm
- Número de moldes: 12
- Materiales: Acero aleado
- Espesor: δ0.8 mm
- Diagrama de dimensiones (Diámetro superior/Diámetro inferior/Altura):

Tabla de selección






- A: Largo total
- B: Ancho total
- C: Alto
- D: Diámetro superior de la taza
- E: Diámetro inferior de la taza
- F: Profundidad de la taza
- G1: Distancia entre tazas
- G2: Ancho entre tazas
Contáctenos hoy
Ofrecemos mucho más que simples utensilios de panadería industriales. Brindamos asistencia integral, desde el diseño de moldes a medida hasta la perfecta integración en la línea de producción de panadería.
WhatsApp: +86-17368160555 Email: jackiema@t-shine.netCon más de 2 décadas de experiencia en la industria del horneado, T-Shine opera una planta de 48,000 m² con certificación ISO, equipada con más de 1300 moldes. Nos especializamos en utensilios de horneado industriales y líneas de producción integradas, que incorporan nuestra tecnología patentada de recubrimiento antiadherente T-ReXL para una durabilidad superior y un desmolde impecable.








